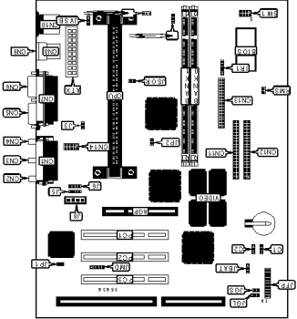
MSI MS-6147
Logs
chipChipset
cpuSocket
speedFSB speeds
66MHz75MHz83MHz100MHz116MHz
moboForm factor
MicroATX (max 244 x 244 mm)
dimDimensions
244 mm x 192 mm
ramMax VRAM size
8MB
chipCache
None/Integrated in the CPU
ramMax RAM size
512MB
ramRAM type
SDR UDIMM
pwrPSU connector
tag Also known as
connI/O ports
1x 
3.5mm Audio Combo
1x 
Floppy interface
1x 
Gameport
2x 
IDE interface
1x 
IrDA
1x 
PS/2 keyboard
1x 
PS/2 mouse
1x 
Parallel
2x 
Serial
2x 
USB 1.x
1x 
VGA
cardExpansion slots
1x 
16-bit ISA
3x 
32-bit PCI
notes Notes

Revision C supports COppermine Pentium III

Notes on the PB version:
There are a couple of jumpers that disconnect one of the two rear USB ports and connects it to an internal header, which can then be used for a front panel USB port.

J16 is a 6 pin header between PCI slots 2&3. If jumpered 2-3 and 5-6 then both rear USB ports are connected. If jumpers 1-2 and 4-5 then USB is on J15 (next to the other front panel connector JFP).
J15 is a 10 pin header with 2 pins missing and 2 pins that seem to be not connected to anything. There are 3 Ground pins, 1 +5V pin and the USB D- and D+ pins.

 . o GND  

D- o o GND
D+ o o N/C?
. o GND
+5V o o N/C?
There are also several missing headers, such as fan headers (other than the CPU fan), the temperature sensor and keyboard power on.

The larger capacitors had all failed so replace everything above 470uF (15 capacitors in total).

Interestingly, some SDRAM that I'd modded from registered to just buffered, which works fine in a Via Slot A board, doesn't work. I suspect something is actually checking the SPD and deciding to not to try using it.

Installing W98 worked with no problems. W2k had a problem with using the AGP port. It claimed it couldn't find enough free resources to use it, but also had no resource conflicts. Changing the PC type to standard from ACPI fixed the problem. I'd guess a problem with the ACPI stuff in the BIOS maybe? The BIOS version is 2.0 and there is a 2.1 version which I haven't tried.

Last updated 2024-05-18T13:19:11Z
Board info score is 9.6/10
bios 8 BIOS files available

vendor Award - 8 entries

POST string
Note
Core Ver.
BIOS Ver.
Logs
POST string
10/28/1999-i440BX-W977-2A69KM4EC-00
Note
PB OEM
Core version
4.51PG
BIOS version
Logs
POST string
08/30/1999-i440BX-W977-2A69KM4EC-00
Note
PB OEM
Core version
4.51PG
BIOS version
Logs
POST string
03/22/1999-i440BX-W977-2A69KM4EC-00
Note
PB OEM
Core version
4.51PG
BIOS version
Logs
POST string
06/16/1998-i440BX?ZX-W97-2A69KM4EC-00
Note
Core version
4.51PG
BIOS version
Logs
POST string
06/16/1998-i440BX?ZX-W97-2A69KM4EC-00
Note
Core version
4.51PG
BIOS version
Logs
POST string
06/16/1998-i440BX?ZX-W97-2A69KM4EC-00
Note
Core version
4.51PG
BIOS version
Logs
POST string
06/16/1998-i440BX?ZX-W97-2A69KM4EC-00
Note
Core version
4.51PG
BIOS version
Logs
POST string
06/16/1998-i440BX-W977-2A69KM4EC-00
Note
Core version
4.51PG
BIOS version
Logs
drv 12 drivers available
Name
Version
OS support
Size
Filename
Name
Version
5.30
OS support
Windows 9x
Size
2.1MB
Filename
Name
Version
5.11
OS support
Windows 9x Windows NT 4.0
Size
7.6MB
Filename
Name
Version
4.06.1154
OS support
Windows 9x Windows NT 4.0
Size
20.9MB
Filename
Name
Version
5.12.01.4107
OS support
Windows 2000 Windows 9x
Size
2.8MB
Filename
Name
Version
3.20.1008
OS support
Windows 2000 Windows 9x Windows XP
Size
Empty
Filename
Name
Version
3.3.0.2
OS support
Windows 9x
Size
569.7KB
Filename
Name
Version
3.02.0.0
OS support
Windows 9x
Size
577.8KB
Filename
Name
Version
3.40.1001
OS support
Windows 2000 Windows 9x Windows XP
Size
2.2MB
Filename
Name
Version
2.80
OS support
Windows 2000 Windows 9x
Size
1.5MB
Filename
Name
Version
2.80
OS support
Windows 2000 Windows 9x
Size
1.5MB
Filename
Name
Version
4.35
OS support
Windows 9x
Size
1.6MB
Filename
Name
Version
3.7B / 3.7D
OS support
MS-DOS NetWare Server 3 NetWare Server 4 OS/2 Warp 3.x Windows 3.1x Windows 9x Windows NT 3.5x
Size
1.6MB
Filename
doc 6 board documents available
Release date
File
Logs
Release date
File
Logs
Release date
File
Logs
Release date
File
Logs
Release date
File
Logs
Release date
File
Logs
Release date
File
Logs

Disclaimer

The info found in this page might not be entirely correct. Check out this guide to learn how you can improve it.