DataExpert Aristo 5000
Logs
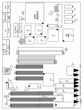
chipChipset
cpuSocket
speedFSB speeds
50MHz60MHz66MHz
moboForm factor
ATX (max 305 x 244 mm)
dimDimensions
305mm x 244mm
ramMax VRAM size
2MB
chipCache
256KB512KB
ramMax RAM size
128MB
ramRAM types
72-pin EDOSDR UDIMM
pwrPSU connector
tag Also known as
connI/O ports
1x 
3.5mm Audio Combo
1x 
Floppy interface
1x 
Gameport
2x 
IDE interface
1x 
PS/2 mouse
1x 
Parallel
2x 
Serial
2x 
USB 1.x
cardExpansion slots
3x 
16-bit ISA
3x 
32-bit PCI
Last updated 2026-02-15T15:30:43Z
Board info score is 9.4/10
bios 2 BIOS files available

vendor Award - 2 entries

POST string
Note
Core Ver.
BIOS Ver.
Logs
POST string
01/20/97-i430VX-2A59GD0GC-00
Note
Core version
4.51PG
BIOS version
Logs
POST string
12/17/96-i430VX-2A59GD0GC-00
Note
Core version
4.51PG
BIOS version
Logs
drv 11 drivers available
Name
Version
OS support
Size
Filename
Name
Version
3.00
OS support
OS/2 Warp 3.x Windows NT 3.5x Windows NT 4.0
Size
1.2MB
Filename
Name
Version
3.00
OS support
OS/2 Warp 3.x Windows NT 3.5x Windows NT 4.0
Size
1.2MB
Filename
Name
Version
3.3.0.2
OS support
Windows 9x
Size
569.7KB
Filename
Name
Version
3.02.0.0
OS support
Windows 9x
Size
577.8KB
Filename
Name
Version
1.05.05
OS support
Windows 3.1x
Size
544.3KB
Filename
Name
Version
4.03.00.2111-3.12.01
OS support
Windows 9x
Size
244.1KB
Filename
Name
Version
2.00.18
OS support
Windows NT 4.0
Size
177.7KB
Filename
Name
Version
3.7B / 3.7D
OS support
MS-DOS NetWare Server 3 NetWare Server 4 OS/2 Warp 3.x Windows 3.1x Windows 9x Windows NT 3.5x
Size
1.6MB
Filename
Name
Version
2.20
OS support
MS-DOS
Size
100.8KB
Filename
Name
Version
v2329
OS support
Windows 3.1x
Size
1.7MB
Filename
Name
Version
v2343
OS support
Windows 9x
Size
1.9MB
Filename
doc 2 board documents available
Release date
File
Logs
Release date
File
Logs
Release date
File
Logs

Disclaimer

The info found in this page might not be entirely correct. Check out this guide to learn how you can improve it.